

|
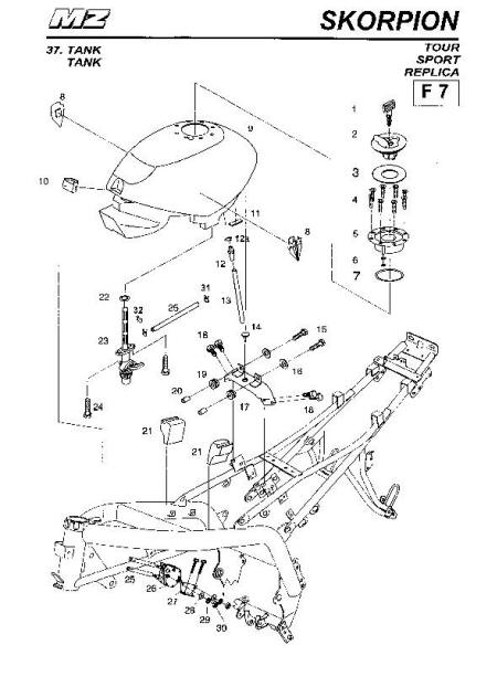
Fuel Tank
|
PART NUMBER |
DESCRIPTION |
|
| 1.
8050617000 |
KEY
BLANK (IF REQUIRED) |
|
|
8050619005 |
REPLACEMENT
KEY CUT TO PATTERN OR CODE |
|
| 2.
9013027000 |
TANK CAP |
|
| 3.
9021125000 |
GASKET |
|
|
3427008000 |
GASKET
FOR TANK CAP * |
|
| 4.
9014742000 |
COUNTERSUNK SCREW |
|
| 5.
9013135000 |
FILLER |
|
| 6.
9013037000 |
O-RING |
|
| 7.
9013036000 |
O-RING ** |
|
|
9013604000 |
O-RING
80x4 |
|
| 8.
3927012000 |
MZ SHIELD WITH
ADHESIVE FILM *** |
|
| 8.
3027506000 |
MZ
SHIELD WITH ADHESIVE FILM |
|
| 9.
3427007195 |
FUEL TANK, BLACK
PAINTED |
|
|
3427007205 |
FUEL
TANK, MINT GREEN |
|
|
3427007225 |
FUEL
TANK, WHITE |
|
|
3427007240 |
FUEL
TANK, YELLOW |
|
|
3427007395 |
FUEL TANK, GREEN |
|
|
3427007405 |
FUEL TANK, ORANGE
PAINTED |
|
|
3427007375 |
FUEL
TANK, TURQUOISE |
|
|
3427007270 |
FUEL
TANK, AQUA BLUE |
|
|
3427007A40 |
FUEL TANK, FERRARI RED |
|
|
3427007A55 |
FUEL TANK, LIGHT RED |
|
|
3427007290 |
FUEL TANK, PEARLY GREEN |
|
| 9.
3427007255 |
FUEL TANK,
WHITE ALUMINIUM METALLIC PAINT (REPLICA) |
|
| 10.
3427011000 |
BAG |
|
| 11.
9013368000 |
CELLULAR RUBBER STRIP |
|
| 12.
9013239000 |
HOSE
STEM |
|
|
12a.9013358000 |
RUBBER
WASHER |
|
| 13.
9013240000 |
HOSE
*** |
|
| 14.
3427020000 |
SUPPORTING BUFFER |
|
| 15.
9403962000 |
HEXAGONAL BOLT |
|
| 16.
9436062000 |
DISK |
|
| 17.
3421166000 |
TANK
SUPPORT |
|
| 18.
9403761000 |
HEXAGONAL BOLT |
|
| 19.
9013029000 |
RUBBER
BUSH 9 |
|
| 20.
3427038000 |
SLEEVE |
|
| 21.
3427010000 |
SUPPORTING BLOCK |
|
| 22.
8050436000 |
ROUND
RING |
|
| 23.
3427066000 |
FILTER
COCK PAIOLI |
|
| 23.
3427056005 |
FILTER
COCK FRABEL |
|
| 24.
9013238000 |
HEXAGONAL BOLT |
|
| 25.
9013601000 |
FUEL
HOSE |
|
| 26.
9013097000 |
FUEL
PUMP ** |
|
| 27.
3420020750 |
FIXING PLATE
FOR PETROL PUMP ** |
|
| 28.
9435865000 |
DISK |
|
| 29.
9437826000 |
SPRING
RING |
|
| 30.
9430362000 |
HEXAGONAL NUT |
|
| 31.
2941060000 |
CLAMP
DIAMETER 8mm |
|
| 32.
9013365000 |
CLIP
COBRA |
|
|
3021880000 |
CLAMP
DIAMETER 10mm ** |
|
| |
|
|
|
* |
USA CALIFORNIA |
|
|
** |
NOT APPLICABLE FROM '98 MODELS |
|
|
*** |
4
PIECES FOR USA CALIFORNIA |
|
| |
|
|
|
| 45 Wood Street,
Taunton, Somerset, TA1 1UW, UK 01823
331397 |
Mon - Fri 8.30am - 5.30pm...Sat 8.30am -
5.00pm
|
|