
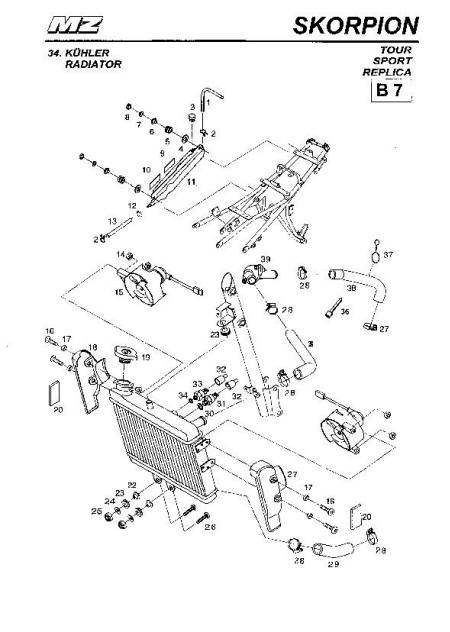
 |
Radiator
|
PART NUMBER |
DESCRIPTION |
|
| 1.
3432024000 |
VENTILATION TUBE |
|
| 2.
3021880000 |
CLAMP
DIAMETER 10mm |
|
| 3.
9013261000 |
VENT PLUG NUMBER 21100 |
|
| 4.
9436062000 |
DISK |
|
| 5.
9013068000 |
RUBBER
FUNNEL |
|
| 6.
9013067000 |
POLYAMIDE BUSH |
|
| 7.
9436013000 |
DISK |
|
| 8.
9430098000 |
HEXAGONAL NUT |
|
| 9.
9013368000 |
FOAM RUBBER STRIP 5x2mm
X |
|
| 10.
9420184000 |
FOAM
RUBBER STRIP 10x5mm X |
|
| 11.
3432021005 |
COMPENSATING TANK |
|
| 12.
9013365000 |
CLIP
COBRA |
|
| 13.
3432023000 |
CONNECTING TUBE |
|
| 14.
9013422000 |
CLIP
NUT |
|
| 15.
9013069000 |
ELECTRIC VENTILATOR |
|
| 16.
9013143000 |
SCREW |
|
| 17.
3420009000 |
DISTANCE SLEEVE |
|
| 18.
3420011000 |
RADIATOR COVERING RIGHT |
|
| 19.
9013429000 |
RADIATOR CAP |
|
| 20.
9521123000 |
CATS EYE
SIDEWAYS YELLOW (TOUR + SPORT)
* |
|
| 21.
9013066000 |
RADIATOR |
|
| 22.
9013067000 |
POLYAMIDE BUSH |
|
| 23.
9013068000 |
RUBBER
FUNNEL |
|
| 24.
9436013000 |
DISK
(TOUR, SPORT,
CUP) |
|
| 25.
9430098000 |
HEXAGONAL NUT |
|
| 26.
9404248000 |
HEXAGONAL BOLT |
|
| 27.
3420010000 |
RADIATOR COVERING LEFT |
|
| 28.
9013078000 |
HOSE
BAND CLIP |
|
| 29.
9013075000 |
WATER
TUBE |
|
| 30.
9468100000 |
GASKET RING
DIAMETER, ALUMINIUM |
|
| 31.
9013017000 |
THERMAL SWITCH
FOR VENTILATION |
|
| 32.
9021051000 |
CABLE
SLEEVE |
|
| 33.
9013016000 |
THERMAL SWITCH
FOR SIGNAL LIGHT COOLANT |
|
| 33.
9014759000 |
TEMPERATURE
SENSOR, FROM '98 MODEL (SPORT) |
|
| 34.
9468254000 |
GASKET
RING DIAMETER |
|
| 35.
9013076000 |
WATER
TUBE |
|
| 37.
3420013000 |
HOLDER
FOR WATER TUBE |
|
| 38.
9013077000 |
WATER
TUBE |
|
| 39.
9013074000 |
THERMOSTAT |
|
| 39.
3420012000 |
THERMOSTAT , BOTTOM PART |
|
| 39.
9013336000 |
O-RING |
|
| |
|
|
|
X |
DELIVERED IN METERS ONLY |
|
|
| 45 Wood Street,
Taunton, Somerset, TA1 1UW, UK 01823
331397 |
Mon - Fri 8.30am - 5.30pm...Sat 8.30am -
5.00pm
|
|