View Model Selection
MZ125 ENGINE MENU
HEAD
BARREL
VALVES
CAMS
CRANKSHAFT
CRANKCASES
CLUTCH
GEAR LEVER
TRANSMISSION
OIL FILTER
WATER PUMP
STARTER MOTOR
GENERATOR
CARB BLOCK
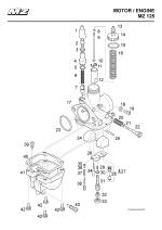
CARBURETTOR
Visit Our Ebay Shop
Mon - Fri 8.30am - 5.30pm...Sat 8.30am - 5.00pm